
Re: TF passenger compartment fuse box, available pins/spades
i don´t know where the pins are coming from.
i had the same question few weeks ago.
so i think it was
pin 3 12V by turning the Ingnition key
Pin 4 12V by turning on the lights. i think i will use this for my fog lights in a tf
pin 5 12V
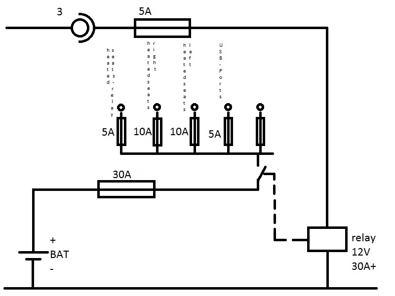
i wanted to add a new selfmade fusebox for my extras.(heated seats some lights etc)
i don´t know where it´s coming from but i used pin 3 to flick a relay with a fuse of 5A.
i cable with 30A fuse direktly from the bat to the relay. so now i have a new added fusebox with 5 fuses all flick by ingonition key
sorry for my bad englisch i hope u unterstood
