 |
|
Aktuelle Zeit: Mo 24. Nov 2025, 23:13
|
Unbeantwortete Themen | Aktive Themen
|
Seite 1 von 1
|
[ 14 Beiträge ] |
|
| Autor |
Nachricht |
|
ukauz
Registriert: Do 10. Jun 2010, 20:28 Beiträge: 5 Wohnort: 22175 Hamburg
|
 Komfortblinker
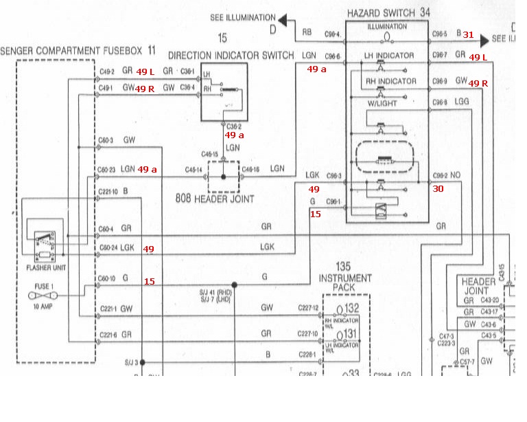
Hallo zusammen, 13 Jahre bin ich ohne ausgekommen, aber jetzt hat mich meine Bequemlichkeit (und ein neuer Erstwagen) überzeugen können: Eine Komfortblinker-Funktion musste her. Die Puristen mögen sich bitte entspannen... Für die, die das nachvollziehen können: Nach ein bisschen Googeln habe ich mich für das PEKATRONIC-Blinkrelais Art-Nr. 3200-3292 entschieden (mit Versand am billigsten über die Bucht). Wirklich einfach: Alle erforderlichen Anschlüsse finden sich am Sicherungsblock Fahrerseite links oder am Warnblink-Schalter. Ich habe das Relais direkt am Warnblink-Schalter angeschlossen, da sind alle Anschlüsse sehr leicht zu erreichen. Das Lüftungsgitter über dem Schalter demontieren, den Schalter ausklipsen und man hat genügend Arbeitsraum, um die 5 Leitungen des "3092" Relais in der Lüftungsöffnung an dem Stecker parallel anzulöten. Für einen geübten Bastler eine Angelegenheit von gut 20 Minuten. Ich habe lange nicht mehr gelötet und habe etwas länger gebraucht. Anbei ein Ausschnitt aus dem Stromlaufplan mit den deutschen Anschlussbezeichnungen, so wie sie von PEKATRONIC angegeben werden, in rot. Sehr angenehm! Gruß Ulrich
Dateianhänge:
Dateikommentar: Stromlaufplan Indicators and Hazards mit deutschen Klemmenbezeichnungen
MGF_Stromlaufplan_Warnblinker.jpg [ 118.11 KiB | 8471-mal betrachtet ]
_________________
Gruß Ulrich
MG F 1,8i MK1 120 PS 1997 BRG ca. 65 TKM
|
| Do 21. Jul 2011, 22:14 |
|
 |
|
xpower
Registriert: Do 14. Mai 2009, 15:02 Beiträge: 4963
|
 Re: Komforblinker
toll und wie wäre es jetzt noch mit einer kleinen vorstellung von dir und deinem blinkenden mg ?? 
|
| Do 21. Jul 2011, 23:01 |
|
 |
|
Dieter
Registriert: Di 11. Nov 2008, 00:19 Beiträge: 5193 Wohnort: Waldhessen
|
 Re: Komforblinker
Ehhh, endlich mal wieder ein *must have* Kommt dran, wenn ich in Rente bin ..  Edit: Falsche GA weggemacht. einfach Google suchen nach: Tiptronic-Blinkrelais_80ms_3292_V2.pdf
_________________ Gruß Dieter MGF/TF http://www.mgfcar.de Kein Support über E-Mail oder PM, Fragen bitte im Forum stellen!
|
| Do 21. Jul 2011, 23:05 |
|
 |
|
Thorsten_EF
Registriert: Mo 5. Jan 2009, 15:06 Beiträge: 847 Wohnort: Erfurt
|
 Re: Komforblinker
Nur mal so aus Neugierde , warum hast du nicht das V4 genommen ? Ist doch Speziell für Rover . Ansonsten ,die Idee ist gut .
_________________ Gruß Thorsten __________________ Home 52er DK /Bastuck/200 Zellen Metallkat/ Porsche Seitenblinker/S 2000 Startknopf/K-Tec Tachoscheiben im LE 500 Design Vinyl
|
| Fr 22. Jul 2011, 09:15 |
|
 |
|
ukauz
Registriert: Do 10. Jun 2010, 20:28 Beiträge: 5 Wohnort: 22175 Hamburg
|
 Re: Komforblinker
Hallo zusammen,
ich habe mit einem netten Menschen bei PEKATRONIC am Telefon parallel auf den Stromlaufplan geguckt. Der MG hat eine ganz klassische Blinkschaltung, da ist das normale "3200-3292" Relais (auf der Schachtel steht noch "V2") das passende Modell. Den Unterschied zur V4 Version kenne ich nicht.
Gruß Ulrich
PS wie sollte ich mich groß Vorstellen??? Ich fahre offensichtlich zufrieden (13 Jahre) 'nen MG F 1,8i MK1 120 PS 1997 65TKM BRG und hoffe, dass das gute Stück noch lange hält...
_________________
Gruß Ulrich
MG F 1,8i MK1 120 PS 1997 BRG ca. 65 TKM
|
| Fr 22. Jul 2011, 17:07 |
|
 |
|
ukauz
Registriert: Do 10. Jun 2010, 20:28 Beiträge: 5 Wohnort: 22175 Hamburg
|
 Re: Komforblinker
Noch ein kleiner Nachtrag: Die PEKATRONIC Anleitung in Dieters Kommentar zur Rente beschreibt den Art.Nr: 3200-3292 V6
Da sind die Anschlüße anders dokumentiert.
Für das V2 gilt
Relaisklemme "D" Tiptronic Modul Funktion -31 schwarz Masse +15 rot Pluszündung 49a weiss Blinkimpuls 49R grün Ausgang Blinker rechts 49L blau Ausgang Blinker links
gelb, blau und grau sind überflüsig und können beim MG F aus dem Stecker entfernt werden
Gruß Ulrich
_________________
Gruß Ulrich
MG F 1,8i MK1 120 PS 1997 BRG ca. 65 TKM
|
| Fr 22. Jul 2011, 17:28 |
|
 |
|
jühü
Registriert: Mo 29. Dez 2008, 09:19 Beiträge: 59 Wohnort: Hamburg
|
 Re: Komforblinker
was hat dieser "Comfort" noch mit einem Roadster zutun ich warte auf den ersten "Autopiloten" für die bequemen oder überforderten Fahrer. Für mich kein "must have" sonder ein "no go", reiht sich ein in die Comfort-Liste vom automatischen Softtop, ferngesteuerten Heckklappenöffner, Standheizung, Nackenfön usw. Aber jeder wie er will  und werkeln macht Schönes Wochenende Euch allen, auch wenn die Sonne Verstecken spielt juergen
_________________ "Hamburg meine Perle"
|
| Fr 22. Jul 2011, 18:24 |
|
 |
|
kaisertom
Registriert: Fr 19. Dez 2008, 08:38 Beiträge: 386 Wohnort: Neukirchen b. SR
|
 Re: Komforblinker
Genau! Ich will nen "Wurstblinker" der After Eight Toffies verschießt 
|
| Fr 22. Jul 2011, 18:37 |
|
 |
|
Mykel
Registriert: So 9. Jan 2011, 09:18 Beiträge: 6636 Wohnort: Schwalmtal (Niederrhein)
|
 Re: Komforblinker
Ich find's absolut in Ordnung, aber ich muss ja auch mit derselben Hand schalten und blinken, ihr faulen Säcke Und Jürgen & Tom: Dann aber mal fix raus mit dem Radio, den elektrischen Fensterhebern und der Klimaanlage ... verstellbare Beifahrersitze braucht auch kein Mensch. Oder gleich ne Mk1 Eli kaufen Jeder so wie er mag 
_________________ MGF VVC, Flame Red, LHD, 4.4.1997 TF 135 Monogram Spectre, RHD, 18.6.2004 ZR 160 3-Türer, Solar Red, LPG, LHD, 21.8.2001 Midget Mk3 RWA, Blaze Red, LHD, 12/1972
|
| Fr 22. Jul 2011, 18:42 |
|
 |
|
Dieter
Registriert: Di 11. Nov 2008, 00:19 Beiträge: 5193 Wohnort: Waldhessen
|
 Re: Komforblinker
Ebenst, man muß ja auch was zu reparieren haben, wenn sonst nix kaputt geht. Coming Home Licht Relais liegt auch schon bereit ...  .
_________________ Gruß Dieter MGF/TF http://www.mgfcar.de Kein Support über E-Mail oder PM, Fragen bitte im Forum stellen!
|
| Fr 22. Jul 2011, 22:43 |
|
 |
|
Nikos
Registriert: Do 9. Jul 2009, 17:55 Beiträge: 308 Wohnort: Wiesbaden
|
 Re: Komfortblinker
Hallloooo. Das hier ist ein Forum. Es lebt davon, dass Ideen und Lösungsvorschläge vorgestellt werden. Wer es gut findet baut es ein, wer nicht lässt es sein. Und manch Träumer redet sich halt weiter ein einen puristischen Supersportwagen  zu fahren PS.: Und, ob er sich nun vorgestellt hat oder nicht ist mir auch so was von egal.
|
| Sa 23. Jul 2011, 00:01 |
|
 |
|
jühü
Registriert: Mo 29. Dez 2008, 09:19 Beiträge: 59 Wohnort: Hamburg
|
 Re: Komfortblinker
Ich bin seit 2003 im Board unterwegs und es gab Zeiten, da wurde noch über "alle Themen" kontrovers diskutiert, humorvoll und auch mal giftig, aber meistens mit einem  und nur diese Bandbreite an Meinungsäußerungen zu einem Thema macht ein aktives Forum aus! IMHO ist ein MGF / TF eine Roadster und kein Sport- oder Supersportwagen, da erwarte ich viel Power, aber auch keine Limousine, da erwarte ich viel Comfort! Also weiter machen mit neuen Themen und der dazugehörenden Diskussionsbereitschaft Gruss juergen
_________________ "Hamburg meine Perle"
|
| Sa 23. Jul 2011, 06:04 |
|
 |
|
ToKno76
Registriert: Fr 8. Jan 2010, 21:58 Beiträge: 193
|
 Re: Komfortblinker
Muss wohl meine ToDo Liste ergänzen: • Komfortblinker sowie Lichtautomatik einbauen.... In Arbeit Komfortfensterheber inkl. automatischem absenken der Beifahrerseite habe ich jetzt fertig, man ich find´ aber auch immer was zum Schrauben Gibt es noch andere Bezugsquellen ausser der Bucht? Da finde ich aktuell leider nix. Und, super Idee von dir 
|
| Sa 23. Jul 2011, 10:02 |
|
 |
|
ukauz
Registriert: Do 10. Jun 2010, 20:28 Beiträge: 5 Wohnort: 22175 Hamburg
|
 Re: Komfortblinker
Bezugsquelle PEKATRONIC ? Google "PEKATRONIC" => PEKATRONIC Alarmsysteme Haben auch 'nen Shop, eBucht ist nur etwas günstiger mit Versand.
Gruß Ulrich
_________________
Gruß Ulrich
MG F 1,8i MK1 120 PS 1997 BRG ca. 65 TKM
|
| Sa 23. Jul 2011, 13:34 |
|
|
|
Seite 1 von 1
|
[ 14 Beiträge ] |
|
Wer ist online? |
Mitglieder in diesem Forum: 0 Mitglieder und 27 Gäste |
|
Du darfst keine neuen Themen in diesem Forum erstellen. Du darfst keine Antworten zu Themen in diesem Forum erstellen. Du darfst deine Beiträge in diesem Forum nicht ändern. Du darfst deine Beiträge in diesem Forum nicht löschen. Du darfst keine Dateianhänge in diesem Forum erstellen.
|
|
 |