 |
 |
 |
|
Aktuelle Zeit: Di 13. Jan 2026, 17:20
|
Unbeantwortete Themen | Aktive Themen
|
Seite 1 von 1
|
[ 3 Beiträge ] |
|
| Autor |
Nachricht |
|
Protuberanz
Registriert: Sa 27. Dez 2008, 01:21 Beiträge: 51 Wohnort: Berlin
|
 Kühlschläuche
Tach an alle,
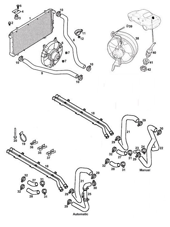
bei mir ist ein Kühlschlauch geplatzt, es ist ein Formschlauch, der aus dem Motor rauskommt und wird zum Kühler und Innenraumheizung weitergeleitet brauche einen neuen...
ich brauche den Schlauch mit der Nummer PEH000090
laut der Reparaturanleitung brauche ich den Schlauch mit der Nummer PEH000370 (Nr. 15 im Bild)
passen beide?
ist da ein Fehler?
Danke in vorraus.
Dateianhänge:
Kühlrohre.jpg [ 133.34 KiB | 2407-mal betrachtet ]
Kühlrohre1.jpg [ 178.8 KiB | 2407-mal betrachtet ]
|
| So 19. Sep 2010, 22:55 |
|
 |
|
Dieter
Registriert: Di 11. Nov 2008, 00:19 Beiträge: 5193 Wohnort: Waldhessen
|
 Re: Kühlschläuche
... aus dem Grund sag ich ja immer...
Die Reparaturanleitung ist im Wesentlich nur für den gut, der sie verkauft.
_________________ Gruß Dieter MGF/TF http://www.mgfcar.de Kein Support über E-Mail oder PM, Fragen bitte im Forum stellen!
|
| Mo 20. Sep 2010, 00:24 |
|
 |
|
Protuberanz
Registriert: Sa 27. Dez 2008, 01:21 Beiträge: 51 Wohnort: Berlin
|
 Re: Kühlschläuche
...habe noch was im Internet gefunden,
jetzt ist alles klar
Dateianhänge:
Kühlrohre2.jpg [ 78.86 KiB | 2355-mal betrachtet ]
|
| Di 21. Sep 2010, 08:13 |
|
|
|
Seite 1 von 1
|
[ 3 Beiträge ] |
|
Wer ist online? |
Mitglieder in diesem Forum: 0 Mitglieder und 15 Gäste |
|
Du darfst keine neuen Themen in diesem Forum erstellen. Du darfst keine Antworten zu Themen in diesem Forum erstellen. Du darfst deine Beiträge in diesem Forum nicht ändern. Du darfst deine Beiträge in diesem Forum nicht löschen. Du darfst keine Dateianhänge in diesem Forum erstellen.
|
|
 |
|