 |
|
Aktuelle Zeit: Fr 17. Apr 2026, 16:50
|
Unbeantwortete Themen | Aktive Themen
Kühlmittelstand sehr niedrig - kritisch?
| Autor |
Nachricht |
|
xpower
Registriert: Do 14. Mai 2009, 15:02 Beiträge: 4990
|
 Re: Kühlmittelstand sehr niedrig - kritisch?
geschenkt wirst die nicht bekommen....
|
| Fr 14. Aug 2015, 20:38 |
|
 |
|
Tomcatciller
Registriert: So 13. Jul 2014, 00:58 Beiträge: 1157 Wohnort: Chemnitz
|
 Re: Kühlmittelstand sehr niedrig - kritisch?
Ok, ich interpretiere das jetzt mal als "XPower-isch" für: "Das ist der beste Preis" und kaufe das Set. Vielen Dank.
Edit:
Wobei, was haben die für einen Deckel drauf? Auch mit Ventil? Oder muss man den alten Deckel übernehmen?
Mfg
TCC
|
| Fr 14. Aug 2015, 20:43 |
|
 |
|
xpower
Registriert: Do 14. Mai 2009, 15:02 Beiträge: 4990
|
 Re: Kühlmittelstand sehr niedrig - kritisch?
da sind keine deckel dabei nur abdeckungen.... auf allen öffnungen...
|
| Fr 14. Aug 2015, 21:16 |
|
 |
|
Tomcatciller
Registriert: So 13. Jul 2014, 00:58 Beiträge: 1157 Wohnort: Chemnitz
|
 Re: Kühlmittelstand sehr niedrig - kritisch?
Ok, ich habe jetzt diesen für 72 € gekauft. Kurze Frage zur Elektronik. So wie ich das verstehe ist der Sensor ein REED Sensor. Also ein Magnetschalter, der schaltet wenn die Schwimmereinheit im Tank entsprechend tief genug auf dem Sensorstift ist. Da es ein Schalter ist müsste man nur Zündungsplus abgreifen und kann dann beliebige Elemente (LEDs, Summer) auf Masse Schalten und eine einfache Schaltung ist fertig. (so wie MFGcar es beschreibt) Die schönere Variante wäre natürlich eine Schaltplatine die einen Alarm erst nach einigen Sekunden ausgibt. Nicht das der Alarm bei jeder Kurvenfahrt angeht. Außerdem könnte man mit einem Relais arbeiten um den Strom der über den Sensor fließt zu minimieren. So richtig? Mfg TCC
|
| Sa 15. Aug 2015, 08:56 |
|
 |
|
Andreas TF160
Registriert: Mi 17. Dez 2008, 21:32 Beiträge: 1439 Wohnort: bei Stuttgart
|
 Re: Kühlmittelstand sehr niedrig - kritisch?
Relais ?? keine Ahnung wieviel Ampere Steuerstrom Du "verwenden" willst. Hättest Du mal bei Dieter richtig geschaut: http://www.mgfcar.de/coolant/MGF_Kuehlm ... 60602_.pdfist übrigens auch der ersten Link den google zum diesem Thema hergibt.
_________________ Gruss Andreas TF160
TF160, MY2005, x-power-grey
|
| Sa 15. Aug 2015, 10:30 |
|
 |
|
Tomcatciller
Registriert: So 13. Jul 2014, 00:58 Beiträge: 1157 Wohnort: Chemnitz
|
 Re: Kühlmittelstand sehr niedrig - kritisch?
Nein, ich meine nicht die Steuerseite sondern die Schaltseite. Auf der Steuerseite muss ein IC Bauteil ran was entsprechend mit Verzögerung schaltet.
Die Anleitung kenne ich bereits. Das Nachzubauen scheitert aber an der Programmierung des Chips. Die Bauteile auf eine fertige Platine Löten wären kein Problem. Die Platine selbst herzustellen traue ich mir auch noch zu.
Mfg
TCC
|
| Sa 15. Aug 2015, 12:22 |
|
 |
|
Andreas TF160
Registriert: Mi 17. Dez 2008, 21:32 Beiträge: 1439 Wohnort: bei Stuttgart
|
 Re: Kühlmittelstand sehr niedrig - kritisch?
wo ist denn das Problem ? dann schau halt mal was Conrad, Reichelt, Pollin, ebay und amazon an Schaltmodule bieten. oder Du nimmst den alten NE555 und baust ein paar Bauteile dazu....
_________________ Gruss Andreas TF160
TF160, MY2005, x-power-grey
|
| Sa 15. Aug 2015, 15:25 |
|
 |
|
Tomcatciller
Registriert: So 13. Jul 2014, 00:58 Beiträge: 1157 Wohnort: Chemnitz
|
 Re: Kühlmittelstand sehr niedrig - kritisch?
Ja, habe da schon mehrere Lösungen gefunden. Werde es ausprobieren. Danke.
|
| Sa 15. Aug 2015, 16:12 |
|
 |
|
xpower
Registriert: Do 14. Mai 2009, 15:02 Beiträge: 4990
|
 Re: Kühlmittelstand sehr niedrig - kritisch?
Andreas TF160 hat geschrieben: wo ist denn das Problem ? dann schau halt mal was Conrad, Reichelt, Pollin, ebay und amazon an Schaltmodule bieten. oder Du nimmst den alten NE555 und baust ein paar Bauteile dazu.... oder man schaut mal in das aktuelle DM rein Andreas 
|
| So 16. Aug 2015, 00:16 |
|
 |
|
Andreas TF160
Registriert: Mi 17. Dez 2008, 21:32 Beiträge: 1439 Wohnort: bei Stuttgart
|
 Re: Kühlmittelstand sehr niedrig - kritisch?
xpower hat geschrieben: Andreas TF160 hat geschrieben: wo ist denn das Problem ? dann schau halt mal was Conrad, Reichelt, Pollin, ebay und amazon an Schaltmodule bieten. oder Du nimmst den alten NE555 und baust ein paar Bauteile dazu.... oder man schaut mal in das aktuelle DM rein Andreas  ja, klar da ist ein richtig guter Artikel zum Thema drin, direkt 2 Seiten hinter dem Overdrive-Controller. ...ich gehe aber davon aus, dass er das MG Drivers Magazin nicht zu Hause hat. 
_________________ Gruss Andreas TF160
TF160, MY2005, x-power-grey
|
| So 16. Aug 2015, 00:26 |
|
 |
|
Tomcatciller
Registriert: So 13. Jul 2014, 00:58 Beiträge: 1157 Wohnort: Chemnitz
|
 Re: Kühlmittelstand sehr niedrig - kritisch?
Nein, habe ich nicht. Was steht da drin? Eine Lösung mit einem fertig konfektioniertem Conrad Bausatz bzw. eine Selfmade Lösung mit NE555 schließe ich aus. Beide Schaltungen haben das Problem das der Kondensator für die Schaltschwelle nicht entladen wird. Es kann nicht garantiert werden, dass die Schaltung auf häufige kurze Ausschläge vom Füllstandssensor doch reagiert und einen Fehlalarm auslöst. Es geht doch wohl nur die Lösung von Roland Heider mit programmierten IC. Mfg TCC
|
| So 16. Aug 2015, 01:01 |
|
 |
|
Mykel
Registriert: So 9. Jan 2011, 09:18 Beiträge: 6636 Wohnort: Schwalmtal (Niederrhein)
|
 Re: Kühlmittelstand sehr niedrig - kritisch?
Das hier dürfte das Problem lösen, da mit einem Zähler gearbeitet wird, der jedes Mal zurückgestellt wird. LED ist schon drin, ob du überhaupt ein Relais für ’nen kleinen Tweeter brauchst, dürfte von der Leistungsfähigkeit des Schalttransistors abhängen.
_________________ MGF VVC, Flame Red, LHD, 4.4.1997 TF 135 Monogram Spectre, RHD, 18.6.2004 ZR 160 3-Türer, Solar Red, LPG, LHD, 21.8.2001 Midget Mk3 RWA, Blaze Red, LHD, 12/1972
|
| So 16. Aug 2015, 07:22 |
|
 |
|
Tomcatciller
Registriert: So 13. Jul 2014, 00:58 Beiträge: 1157 Wohnort: Chemnitz
|
 Re: Kühlmittelstand sehr niedrig - kritisch?
hm ok. Danke.
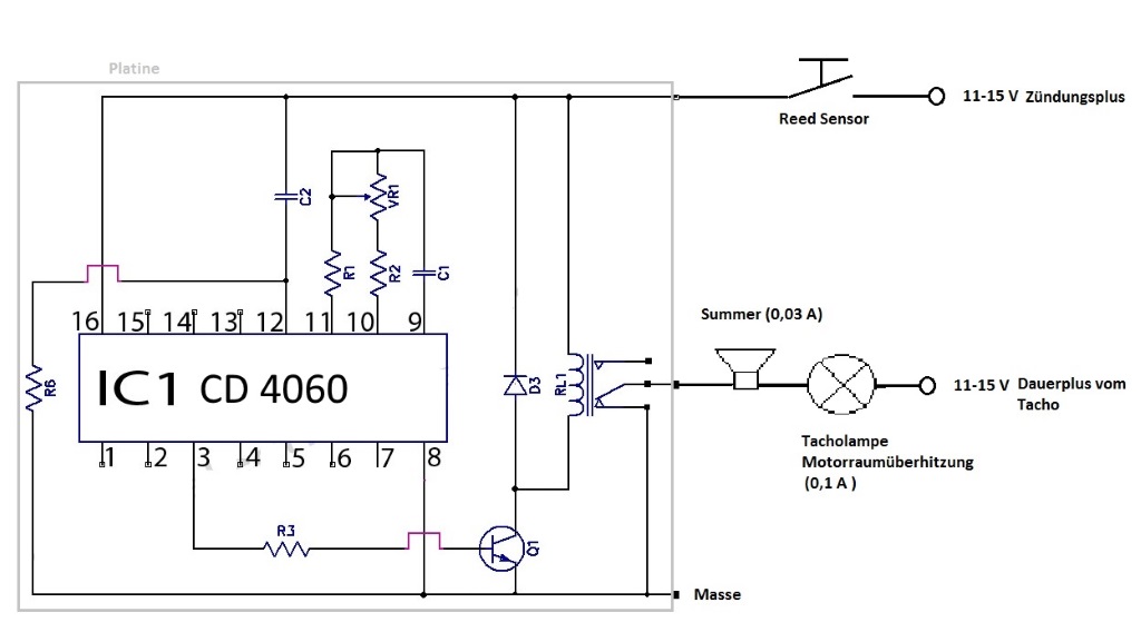
Ich habe versucht die Schaltung für meine Belange anzupassen, ich muss mich aber erst einlesen in die Funktionsweise.
Mfg
TCC
Dateianhänge:
Schaltung V2.jpg [ 75.13 KiB | 10074-mal betrachtet ]
|
| So 16. Aug 2015, 09:53 |
|
 |
|
Mykel
Registriert: So 9. Jan 2011, 09:18 Beiträge: 6636 Wohnort: Schwalmtal (Niederrhein)
|
 Re: Kühlmittelstand sehr niedrig - kritisch?
Alternative für das von dir genannte Lämpchen (wenn du ’nen kompletten Mk2 MGF Tachoblock einbaust) wäre das für die Fehleranzeige Automatikgetriebe. Der Sockel ist da, so sieht das aus: Dateianhang:
Dateikommentar: Getriebeleuchte
IMG_6144.jpg [ 227.95 KiB | 10051-mal betrachtet ]
Das schöne ist, dass du für die Lampe nur ein Kabel mit ’ner angecrimpten Schraubklemme brauchst, die dann hier befestigt wird: Dateianhang:
Dateikommentar: Anschluss Getriebewarnleuchte
IMG_6142.jpg [ 248.03 KiB | 10051-mal betrachtet ]
Wichtig dabei ist allerdings, dass du die Klemme dann von der Schraube isolierst, also so ne gekröpfte Kunststoffscheibe verbaust. Dateianhang:
399 foto.JPG [ 12.95 KiB | 10051-mal betrachtet ]
. Also (von unten nach oben): Leiterbahn, Schraubklemme, Iso-Scheibe (durch die klemme durch!), Schraube. Die Schraube verbindet eigentlich das Lämpchen mit der Elektronik der Schaltstufenanzeige im Tachoblock, und da wollen wir ja keine 12 V drauflegen.
_________________ MGF VVC, Flame Red, LHD, 4.4.1997 TF 135 Monogram Spectre, RHD, 18.6.2004 ZR 160 3-Türer, Solar Red, LPG, LHD, 21.8.2001 Midget Mk3 RWA, Blaze Red, LHD, 12/1972
|
| So 16. Aug 2015, 12:48 |
|
 |
|
Tomcatciller
Registriert: So 13. Jul 2014, 00:58 Beiträge: 1157 Wohnort: Chemnitz
|
 Re: Kühlmittelstand sehr niedrig - kritisch?
Danke Mykel. Die von dir geschilderte Lösung gefällt mir nicht, da ich gern eine rote Warnlampe im direktem Zusammenhang mit dem Kühlwasser hätte. Eine Lampe in den Tacho drehen und von der Tachoelektronik isolieren habe ich bereits bei meinem Focus gemacht für eine Schaltanzeige bei max Drehmoment. Bezüglich deines Vorschlages mit der Schaltung muss ich dir leider auch sagen das das wahrscheinlich nicht funktioniert. Hier eine Meinung aus einem Elektroniker Forum wo ich die ganzen Schaltvarianten gerade durchgehe: Zitat: Die Schaltung jetzt ist ein Binär-Zähler mit Taktgeber, der nicht gestoppt wird, wenn ich mich nicht irre. Lampe blinkt und der Pieper piept nicht durchgängig. Und das Relais klackt mit. Dabei brauchst du gar kein Relais, der Transistor schaltet bereits Masse. Zudem hängen Lampe und Pieper laut Schaltplan am Öffner-Kontakt, es piept und leuchtet also dauerhaft, bis der Kühlwassertank leer ist. Und CMOS-ICs haben meist keine gute PowerOnReset-Schaltung integriert, dein Zähler startet also möglicherweise nicht bei 0 sondern bei einem "Zufallswert", von dem aus er hoch zählt. Der Alarm startet also wieder möglicherweise sofort. Besser wäre, die Schaltung dauerhaft anzuhängen und den Reset-Pin mit dem Sensor zu schalten. Mfg TCC
|
| So 16. Aug 2015, 17:41 |
|
 |
|
Tomcatciller
Registriert: So 13. Jul 2014, 00:58 Beiträge: 1157 Wohnort: Chemnitz
|
 Re: Kühlmittelstand sehr niedrig - kritisch?
Ok, der Tank ist heute aus England angekommen und habe mal etwas experiementiert wann der Sensor ausschlägt. Ist der Tank voll auf max. Markierung kann man Schüttel wie man will, der Sensor löst nicht aus. Das in Kombination mit das Aussage das man bis 1 cm über max auffüllen kann macht eine Enprellungs-Schaltung eigentlich überflüssig. Man muss nur halt öfters nachkippen. Sinkt der Wasserstand auf Minimum (laut Behältermarkierung) dann kann man durch extremes ankippen des Tanks erste Durchgangssignale nachweisen. Ich kann mir vorstellen wenn man den MG auf der Rennstrecke fährt dann könnte es zu Fehlalarmen kommen. Aber wirklich nur bei hohen Kurven G-Kräften. Ich habe das Wasser weiter abgelassen und bei zirka 1 cm unter Min hat der Sensor dann den Schaltpunkt im ruhenden Zustand. Suma sumarum gewinnt man durch eine Entprellschaltung 100 ml Kühlwasser was mehr entweichen kann bis man Alarm hört. Man muss also weniger oft und dafür mehr Kühlwasser nachkippen. In Summe sind 500 ml Wasser zwischen Max. und Alarm verloren gegangen (Erdinger Glas im Hintergrund). Dateianhang:
Dateikommentar: Kühlmittelstand Alarm
22082015072.jpg [ 167.77 KiB | 9999-mal betrachtet ]
Ich habe mithilfe eines Elektrotechniker Forums eine Schaltung entworfen (ohne Programmierbaren Chip oder hier genannten ICs). Die Teile sind im Zulauf von Conrad. Ich möchte hier aber noch nichts genaueres zeigen bis ich die Sache selber gebaut und getestet habe. Kosten belaufen sich auf 22 € für Teile und Versand. Mfg TCC
|
| Sa 22. Aug 2015, 11:50 |
|
 |
|
xpower
Registriert: Do 14. Mai 2009, 15:02 Beiträge: 4990
|
 Re: Kühlmittelstand sehr niedrig - kritisch?
Wieso muss man Kühlwasser nachgießen ? Wenn alles ok ist dann ist das ein geschlossener Kreislauf und hat keinen Verlust.
|
| Sa 22. Aug 2015, 13:13 |
|
 |
|
Tomcatciller
Registriert: So 13. Jul 2014, 00:58 Beiträge: 1157 Wohnort: Chemnitz
|
 Re: Kühlmittelstand sehr niedrig - kritisch?
Zur Zeit ist scheinbar nicht alles in Ordnung bei meinem MGF, da er jetzt auch im Stand etwas Wasser verliert. Aber sehr wenig auf eine größere Zeitspanne. Kann zum Beispiel ein defekter Schlauch oder ein durchgerostes Rohr sein. Muss ich später mal untersuchen. Solange es nur 5 mm pro Monat sind erstmal nicht akut. (vor dem Hintergrund das das Auto nicht gefahren wird im nächsten Monat bis zu 7 Monate)
Wie dem auch sei, ich habe hier im Forum von Leuten gelesen das es normal sei das ihr MGF geringe Mengen Kühlwasser verliert. Um das zu bewerten fehlt mir die Erfahrung die du sicher hast Xpower. Der Sensor soll nach meinem Verständnis verhindern das man unwissentlich ohne Kühlwasser unterwegs ist. Und wenn er von so vielen Leuten hier im Forum emfohlen wird und ein derartiger Aufwand betrieben wird Schaltungen zur Entprellung herzustellen, dann kann daran prinzipiell nichts falsch sein.
Oder habe ich etwas falsch verstanden Xpower?
Mfg
TCC
|
| Sa 22. Aug 2015, 13:38 |
|
 |
|
xpower
Registriert: Do 14. Mai 2009, 15:02 Beiträge: 4990
|
 Re: Kühlmittelstand sehr niedrig - kritisch?
nein es ist nicht normal wenn man kühlwasser verliert dann ist ein fehler im system nur wenn es nicht akut ist wird halt beobachtet um den fehler einzugrenzen und nicht wahllos teile zu tauschen den sensor rüstet man nach weil im kühlsystem bei bis zu 20 jahre alten autos immer mal was kaputt gehen kann und um einen grösseren schaden zu vermeiden wenn z.b. der kühler oder die rohre undicht werden oder gar mal ein schlauch platzt ist halt der sensor hilfreich weil er schneller anspricht als am ende die temperaturanzeige hochgeht
|
| Sa 22. Aug 2015, 14:17 |
|
 |
|
mike26dd
Registriert: Di 4. Jan 2011, 15:22 Beiträge: 641 Wohnort: Dresden
|
 Re: Kühlmittelstand sehr niedrig - kritisch?
Also ich habe keine komplizierte Schaltung gebaut und es einfach auf die Lampe der Handbremskontolle gelegt und funktioniert perfekt. Selbst bei schnellen Kurven löst da nix aus.
Aber an der Schaltung wäre ich mal interessiert wie sie so funktioniert.
_________________ MG TF 135 Cool Blue BJ 2004
Lexus smoked Rückleuchten Smoked dritte Bremsleuchte Transportbox Chromtankdeckel Chrom Türschließbleche Heckträger mit Koffer Lenkradfernbedienung Elektrischer Kofferraumöffner
T4 Testbook Originale Hydragaspumpe
|
| Sa 22. Aug 2015, 17:28 |
|
|
Wer ist online? |
Mitglieder in diesem Forum: 0 Mitglieder und 9 Gäste |
|
Du darfst keine neuen Themen in diesem Forum erstellen. Du darfst keine Antworten zu Themen in diesem Forum erstellen. Du darfst deine Beiträge in diesem Forum nicht ändern. Du darfst deine Beiträge in diesem Forum nicht löschen. Du darfst keine Dateianhänge in diesem Forum erstellen.
|
|
 |