 |
|
Aktuelle Zeit: Fr 27. Feb 2026, 16:20
|
Unbeantwortete Themen | Aktive Themen
.......bremst nicht nach Motortausch! > ABS Modulator
| Autor |
Nachricht |
|
Leimbaer
Registriert: Do 18. Dez 2008, 00:06 Beiträge: 716 Wohnort: Minden
|
 Re: .......bremst nicht nach Motortausch!
Ja, alles merkwürdig.......das sagt ja eben auch die Werkstatt. Aber das Teil wurde eingebaut, dann haben die wie die anderen Male zuvor entlüftet und schwupps bleibt das Pedal stabil.......sogar stabiler als vor dem Motortausch, da kam es mir so vor als wenn das Pedal beim Bremsen leicht nachgibt. Hab mir aber nix bei gedacht, gewohnheit eben und gebremst hat er ja immer. Vielleicht war da vorher auch schon was faul mit dem Block??? Ich hab kein Plan.....
Falls den alten ABS-Block jemand "untersuchen" möchte.....gerne, PN an mich. Ich leg den erstmal in Keller......
_________________ Grüße aus Minden Patrick
www.gidf.de
|
| Mi 29. Aug 2012, 07:25 |
|
 |
|
xpower
Registriert: Do 14. Mai 2009, 15:02 Beiträge: 4972
|
 Re: .......bremst nicht nach Motortausch!
dann pack ihn gut ein... weisst doch bremsflüssigkeit und wasser... = rost 
|
| Mi 29. Aug 2012, 09:13 |
|
 |
|
Conni
Registriert: Mi 1. Aug 2012, 21:45 Beiträge: 100 Wohnort: 42551 Velbert
|
 Re: .......bremst nicht nach Motortausch!
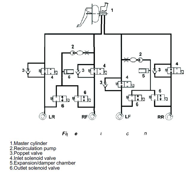
Hallo Mykel, wenn Du das Schema betrachtest, dann ist die Nummer 5 zweimal vorhanden. Das sind Zylinder, welche die Bremsflüssigkeit aufnehmen, welche beim Stotterbremsen durch das ABS ja auch irgendwo hin muß. In diesen Zylindern sind Kolben, auf welche der ABS-Entlastungsdruck einwirkt. Auf der anderen Seite der Kolben sitzen Federn, welche nachgeben, dadurch vergrössert sich das Volumen auf der Flüssigkeitseite, es ist so ein unter Federdruck stehendes, veränderbares Volumen. Was sich wieder verkleiner, wenn der Bremsdruck abgebaut ist. Nun weißt Du wo die in einem geschlossenen System die Flüssigkeit vorübergehend bleibt, denn nach dem Loslassen des Bremspedals wird die in Nummer 5 befindliche Bremsflüssigkeit, durch den Federdruck sofort wieder über Nummer 2 dem entlastetem System zu geführt.(Pedal ist ja nicht getreten)
So nun machs gut,
VG Conni
_________________ Ein F/TF hat fast jeder hier im Avatar, deshalb nicht über diese Lady lachen, sie tut nur meinen ZT-T bewachen.
|
| Mi 29. Aug 2012, 10:48 |
|
 |
|
xpower
Registriert: Do 14. Mai 2009, 15:02 Beiträge: 4972
|
 Re: .......bremst nicht nach Motortausch!
Mykel hat geschrieben: Nachdem ich das Glück hatte mal einen TF ohne ABS fahren zu können und nun weiß, wie die Dinger tatsächlich bremsen können, wenn man sie lässt, werde ich mir überlegen ob der nächste F wirklich noch ABS haben wird. Ist halt nur im Winter nicht so toll... ohja mykel und wie die teile bremsen... hab in meinem mgf ja auch kein abs drin und da er vorn recht leicht ist ist die blockierneigung verdammt hoch  da ziehst schnell mal schwarze streifen auf die strasse aber wie gesagt wenn das system dicht ist und der behälter voll sollte eigentlich das system bremsen egal wie... wer weiss vielleicht hat die werkstatt nen fehler gemacht und nach dem abs block wechsel haben sie es richtig gemacht mit dem entlüften... wichtig ist aber erstmal das das bärli nun wieder die restliche sommersonne geniessen kann  ps: so am rande für alle mitlesenden der mgf von unserem leipziger stammtisch freund rene ist mit dem austauschmotor nun auch wieder unter den lebenden 
|
| Mi 29. Aug 2012, 11:05 |
|
 |
|
Leimbaer
Registriert: Do 18. Dez 2008, 00:06 Beiträge: 716 Wohnort: Minden
|
 Re: .......bremst nicht nach Motortausch!
xpower hat geschrieben: wichtig ist aber erstmal das das bärli nun wieder die restliche sommersonne geniessen kann  Danke ERICH 
_________________ Grüße aus Minden Patrick
www.gidf.de
|
| Mi 29. Aug 2012, 11:20 |
|
 |
|
Conni
Registriert: Mi 1. Aug 2012, 21:45 Beiträge: 100 Wohnort: 42551 Velbert
|
 Re: .......bremst nicht nach Motortausch!
Hallo Leimbaer und xpover, @ Leimbaer ja, vor dem Motortausch war es wohl nur der nicht mehr ganz intakte Hauptbremszylinder, welcher das Pedal nachgeben ließ. Danach weiß der Himmel warum sich da so Einiges an dem ABS-System verabschiedet hat. Auf eine Zerlegung zum Versuch einer Nachforschung, was es gewesen sein könnte, da komme ich gern mal zurück. Doch jetzt erstmal:"Schön, daß das Auto wieder stehen bleibt, wenn Du es willst". Gut gemacht. @ xpower schön, daß Deine Spitzfindigkeiten(Lästern oder so)immer auch ein gehöriges Potenzial an Fachwissen enthalten, kann ich nur sagen.  Naja, ironisch sein(auch Selbstironie), daß kann ich auch, nur mit dem Wissen bei F und TF, da hapert es bei mir noch ein Wenig. Kann deshalb zur Zeit nur mit allgemeiner Technik aus dem Automobilbereich dienen. VG an Euch und an alle Leser, Conni
_________________ Ein F/TF hat fast jeder hier im Avatar, deshalb nicht über diese Lady lachen, sie tut nur meinen ZT-T bewachen.
|
| Mi 29. Aug 2012, 11:29 |
|
 |
|
Dieter
Registriert: Di 11. Nov 2008, 00:19 Beiträge: 5194 Wohnort: Waldhessen
|
 Re: .......bremst nicht nach Motortausch!
Alles klar. Danke für die ABS Info Das Rumgeblödel gehört zu so'nem Forum wo rund 15 Jahre MGF/(TF ) zusammenkommen dazu. Da muss jeder durch download/file.php?id=2937&mode=viewDa stehn noch mehr so nette Sachen drin ... Mit dem Bildausschnitt wird's etwas deutlicher
Dateianhänge:
Dateikommentar: Bosch 5.7
Bosch_5.7.JPG [ 47.22 KiB | 3277-mal betrachtet ]
_________________ Gruß Dieter MGF/TF http://www.mgfcar.de Kein Support über E-Mail oder PM, Fragen bitte im Forum stellen!
|
| Mi 29. Aug 2012, 16:37 |
|
 |
|
heinz ilger
Registriert: Do 23. Dez 2010, 19:48 Beiträge: 111 Wohnort: Essen
|
 Re: .......bremst nicht nach Motortausch!
Hallo Conni, In dem hierzu geschriebenen 14 Artikel auf Seite 1 habe ich ähnliche Probleme geschildert. Da ich mich auch immer wieder gefragt habe wo die Bremsflüssigkeit wohl hingeht wenn sich das Pedal immer weiter durchdrücken läst, wäre die Nr.5 in deinem Schema eine plausible Erklärung. Man lernt halt immer dazu. Danke für deinen Beitrag.
Grüsse aus Essen
|
| Mi 29. Aug 2012, 18:08 |
|
|
Wer ist online? |
Mitglieder in diesem Forum: 0 Mitglieder und 140 Gäste |
|
Du darfst keine neuen Themen in diesem Forum erstellen. Du darfst keine Antworten zu Themen in diesem Forum erstellen. Du darfst deine Beiträge in diesem Forum nicht ändern. Du darfst deine Beiträge in diesem Forum nicht löschen. Du darfst keine Dateianhänge in diesem Forum erstellen.
|
|
 |