 |
|
Aktuelle Zeit: So 22. Feb 2026, 02:24
|
Unbeantwortete Themen | Aktive Themen
Kühlmittelausgleichsbehälter und Sensor
| Autor |
Nachricht |
|
Schraub-Baer
Registriert: Sa 6. Jun 2009, 19:44 Beiträge: 67 Wohnort: Kornwestheim
|
 Re: Kostenpunkt Ausgleichsbehälter und Sensor
Ihr macht mich fertig In der Originalanleitung http://www.ukmgparts.com/PDFs/bgf1111.pdf heisst es: "Route green with yellow trace wire down to just above gearbox, disconnect original green with yellow going to reverse light switch and connect in new harness to bridge original harness." Auf Dieters Seite hab ich schon gesehen, wo er das Plus herholt. Wenn es nach Methode B&G nicht geht, müssten sich inzwischen doch alle Käufer beschwert haben. Das kann ich mir nicht wirklich vorstellen. Dann mess ich am Sonntag abend mal nach...
_________________ Ich fühle mich dort wohl, wo der Motor hinter mir wohnt
|
| Fr 14. Mai 2010, 21:47 |
|
 |
|
Dieter
Registriert: Di 11. Nov 2008, 00:19 Beiträge: 5194 Wohnort: Waldhessen
|
 Re: Kostenpunkt Ausgleichsbehälter und Sensor
... das kommt alles davon, wenn man ohne Grundlagen arbeitet. http://www.mgfcar.de/schedules/sb28.jpg
_________________ Gruß Dieter MGF/TF http://www.mgfcar.de Kein Support über E-Mail oder PM, Fragen bitte im Forum stellen!
|
| Fr 14. Mai 2010, 21:52 |
|
 |
|
Schraub-Baer
Registriert: Sa 6. Jun 2009, 19:44 Beiträge: 67 Wohnort: Kornwestheim
|
 Re: Kostenpunkt Ausgleichsbehälter und Sensor
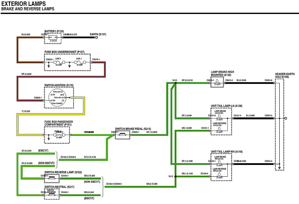
X-Power hat geschrieben: Wie gut das der Rückwärtsgangschalter nur masse durchschaltet  Tja, da sagt auch mein Schaltplan was anderes: GY = green/yellow 
Dateianhänge:
Dateikommentar: Stromlaufplan
circuit43-1.jpg [ 86.12 KiB | 10760-mal betrachtet ]
_________________ Ich fühle mich dort wohl, wo der Motor hinter mir wohnt
|
| Fr 14. Mai 2010, 22:13 |
|
 |
|
FXSTC
Registriert: Fr 23. Jan 2009, 23:08 Beiträge: 831
|
 Re: Kostenpunkt Ausgleichsbehälter und Sensor
Hallo, ich möchte nicht noch einen Threat wegen Kühlmittelsensor eröffnen und bräuchte Hilfe, beim TF ist eine Lampe in den Armaturen nicht belegt, diese ist für das Automatikgetriebe gedacht und ist die 3. Leuchte von oben rechts in den Armaturenanzeigen. lt Schaltplan müsste das die "Warning Lamp Gearbox fail" Leuchte sein und die kabelfarbe Grün / Weiß haben, kann mir das jemand bestätigen ehe ich beginne die Armaturen auszubauen und selbst nachzusehen. Wo finde ich am besten das Kabel (Fußraum links oder Front irgendwo), kann ich mit 12V Plus draufgehen oder wird Minus geschaltet. Hat der MGF auch diese Leuchte über. Ich möchte keinen Summer oder eine Zusätzliche Lampe irgendwo einbauen wenn da noch eine Leuchte in den Armaturen übrig ist und nicht benutzt wird. Danke für eure Hilfe. Gruß klaus
_________________ Jetzt British Steel !!
|
| Sa 15. Mai 2010, 11:17 |
|
 |
|
FXSTC
Registriert: Fr 23. Jan 2009, 23:08 Beiträge: 831
|
 Re: Kostenpunkt Ausgleichsbehälter und Sensor
Hallo, hatte mich letztes We mit Gallex unterhalten wegen dem Ausgleichsbehälter, wir sprachen über einen VW Polo Behälter, was ich auch schon einmal glaube hier gelesen zu haben. Also Freitag zum Schrotti und 2 Ausgleichbehälter je 10€ mit Deckel, Sensor und Anschlußstecker gekauft, ich habe mehrere ausprobiert, der Ausgleichsbehälter des Polo 6N passt am besten, nicht den 9N nehmen, da sind die Anschlüsse anders. Da die Halterung für den Polobehälter nicht passt habe ich schnell einen Halter aus Alublech 20cm lang und 3cm breit geflext, Kosten ca. 2€. Bei Conrad habe ich ein Relais für 3,70€ mit Wechsler gekauft das eine geringe Stromaufnahme benötigt aber 8A schalten kann. Ich fahre den Tank nun seit Samstag und hatte auch schon heute eine Testfahrt im Odenwald hinter mir und ich muss sagen passt alles super, bis jetzt keine Probleme. Zum Anschließen der Lampe in den Armaturen (siehe vorherige Anfrage) bin ich bis jetzt aus Zeitgründen nicht gekommen. Der Polobehälter ist Doppelwandig und durch seine Kugelform fast zu 3/4 gefüllt, so das keine Flüssigkeit zu weit zur Seite schwappen kann, somit brauche ich keine zusätzliche Elektronik die ein Aufleuchten der Lampe in den scharf gefahrenen Kurven verhindert. Probleme mit dem blauen Deckel des Polobehälters gibt es auch nicht, eine Serie mit schwarzen Deckeln war mal defekt, also Blauen nehmen. Wer möchte kann mit dieser Konstellation einen Summer, eine Lampe oder beides anschließen, oder wer will die Leuchte in den Armaturen, so wie ich. Fazit: Kosten 15,70€, gegenüber B&G gespart 80€, keine Probleme mit Tankdeckel wie beim Originalen, Ersatzteile in Hülle und Fülle um die Ecke für schmales Geld vorhanden. Ich werde die Anzeige diese Woche fertigstellen und bis nächsten Dienstag testen, danach wenn alles o. k. ist stelle ich die Anleitung mit allem hier ein. Also wenn mir jemand weiterhelfen kann mit meiner vorherigen Anfrage muss ich nicht die ganze Armatur auseinander nehmen, ich hoffe da ist weigstens ne Glühbirne drinnen. Gruß Klaus
_________________ Jetzt British Steel !!
|
| So 16. Mai 2010, 22:13 |
|
 |
|
Schraub-Baer
Registriert: Sa 6. Jun 2009, 19:44 Beiträge: 67 Wohnort: Kornwestheim
|
 Re: Kostenpunkt Ausgleichsbehälter und Sensor
FXSTC hat geschrieben: Hat der MGF auch diese Leuchte über. Ich möchte keinen Summer oder eine Zusätzliche Lampe irgendwo einbauen wenn da noch eine Leuchte in den Armaturen übrig ist und nicht benutzt wird. Danke für eure Hilfe. Gruß klaus Ja, die gibts auch beim F. Gute Idee, das spart das lästige Bohren  Wenn ich mal Strom auf der Anlage habe  werde ich auch die Leuchte nehmen... Keep us informed 
Dateianhänge:
Dateikommentar: Aus dem Handbuch
Warnleuchte.jpg [ 103.49 KiB | 10707-mal betrachtet ]
_________________ Ich fühle mich dort wohl, wo der Motor hinter mir wohnt
|
| So 16. Mai 2010, 23:12 |
|
 |
|
my01
Registriert: Do 18. Dez 2008, 10:19 Beiträge: 1072 Wohnort: 71642 Ludwigsburg
|
 Re: Kostenpunkt Ausgleichsbehälter und Sensor
@FXSTC: Klaus 
_________________ Life is tooo short not to ;)
zuerst LB-MD 1963 MGF 1,8i MkI von 55.000km-155000 km, VIN 507105 brg (HFF)/beige jetzt: LB-MG 5563 MGF 1,8i MkII ab km 66.000 z.Zt. 225 000km, VIN 534335, brg (HFF)/black mit DK52, Carbonairbox, cw,short knuckles etc
|
| So 16. Mai 2010, 23:17 |
|
 |
|
Schraub-Baer
Registriert: Sa 6. Jun 2009, 19:44 Beiträge: 67 Wohnort: Kornwestheim
|
 Re: Kostenpunkt Ausgleichsbehälter und Sensor
It's magic or self-healing oder wie auch immer: Gestern abend noch ne Probefahrt gemacht, heute zur Arbeit gefahren: Kein Lebenszeichen vom Kühlmittelsensor. Nach der Arbeit eingestiegen, den Zündschlüssel gedreht und BEEP-BEEP macht's Hab nix gemacht ausser das Verdeck zu öffnen... Gibts da vielleicht ne Abhängigkeit? Nachher mal mit Dach-zu testen.
_________________ Ich fühle mich dort wohl, wo der Motor hinter mir wohnt
|
| Mo 17. Mai 2010, 18:25 |
|
 |
|
FXSTC
Registriert: Fr 23. Jan 2009, 23:08 Beiträge: 831
|
 Re: Kostenpunkt Ausgleichsbehälter und Sensor
Schraub-Baer hat geschrieben: It's magic or self-healing oder wie auch immer: It´s not magic, it´s english Schraub-Baer hat geschrieben: Gibts da vielleicht ne Abhängigkeit? Nachher mal mit Dach-zu testen. Wenn du die Masse des Sensors auf das Dach gelegt hast dann evtl. schon  , kann ich mir aber bei dir nicht vorstellen. Nix für ungut, wer den Schaden hat braucht für den Spott nicht zu sorgen. Klaus
_________________ Jetzt British Steel !!
|
| Mo 17. Mai 2010, 18:58 |
|
 |
|
Schraub-Baer
Registriert: Sa 6. Jun 2009, 19:44 Beiträge: 67 Wohnort: Kornwestheim
|
 Re: Kostenpunkt Ausgleichsbehälter und Sensor
Wie, Masse??? Reichen da meine 75 kg nicht???? Spaß beiseite und zu früh gefreut: Auch mit geschlossenem Dach meldet sich der Sensor beim Zündung einschalten mit Beep-Beep, allerdings stört ihn ein über eine Minute lang hinunter gedrückter Sensor leider garnicht, kein Mucks *grummel* Vielleicht dauert das jetzt auch noch weitere zwei Tage? Dann würde die Verzögerungsschaltung ihrem Namen echt Ehre machen  Muss übermorgen geschäftlich ins Allgäu. Das wird die erste lange Strecke, bin mal gespannt.....
_________________ Ich fühle mich dort wohl, wo der Motor hinter mir wohnt
|
| Mo 17. Mai 2010, 19:58 |
|
 |
|
FXSTC
Registriert: Fr 23. Jan 2009, 23:08 Beiträge: 831
|
 Re: Kostenpunkt Ausgleichsbehälter und Sensor
Schraub-Baer hat geschrieben: Wie, Masse??? Reichen da meine 75 kg nicht????  . Hast du auf Lightweight umgebaut?? oder bist du Franzose und nur 1,50mtr. groß?? Wo ist eingentlich Fronkraisch?? Schraub-Baer hat geschrieben: Spaß beiseite und zu früh gefreut: Auch mit geschlossenem Dach meldet sich der Sensor beim Zündung einschalten mit Beep-Beep, allerdings stört ihn ein über eine Minute lang hinunter gedrückter Sensor leider garnicht, kein Mucks *grummel* Es nützt dir nichts wenn es beim einschalten Beep-Beep macht, hast du vielleicht einen Vogel gekauft der sich freut dich zu sehen  Wenn der Sensor nicht schaltet nützt das nix, kanste den einzeln testen ohne die Verzögerungsautomatik? Ich tippe auf den Sensor selbst da ja die Verzögerungsautomatk Bereitschaft signalisiert. gruß Klaus
_________________ Jetzt British Steel !!
|
| Mo 17. Mai 2010, 20:23 |
|
 |
|
gallex2000
Registriert: Do 18. Dez 2008, 16:38 Beiträge: 1201 Wohnort: MZ
|
 Re: Kostenpunkt Ausgleichsbehälter und Sensor
Japp - und ich tippe auf kaputte Elektronikk bzw. def. Sensor. Wer mit einem Multimeter umgehen kann, kann auch messen ob der Sensor ohne Elektronik schaltet weil müsste ja ein Reedkontakt sein Gruss, Gallex.
_________________ Quattro bedeutet daß man erst dort steckenbleibt wo kein Abschleppwagen mehr hinkommt : )
|
| Mo 17. Mai 2010, 20:40 |
|
 |
|
Schraub-Baer
Registriert: Sa 6. Jun 2009, 19:44 Beiträge: 67 Wohnort: Kornwestheim
|
 Re: Kostenpunkt Ausgleichsbehälter und Sensor
Jau, dann werde ich dem Sensor mal mit dem Multimeter auf den Zahn fühlen.
_________________ Ich fühle mich dort wohl, wo der Motor hinter mir wohnt
|
| Mo 17. Mai 2010, 21:25 |
|
 |
|
Schraub-Baer
Registriert: Sa 6. Jun 2009, 19:44 Beiträge: 67 Wohnort: Kornwestheim
|
 Re: Kostenpunkt Ausgleichsbehälter und Sensor
Okay, es scheint am Sensor zu liegen. Ich hab die beiden Kabel zum Sensor überbrückt und siehe da, nach 10 sec fängt die "Alarmanlage" doch glatt an zu piepen. Stecker wieder aufgesteckt und den Schwimmer runtergedrückt: Kein Piepen....
_________________ Ich fühle mich dort wohl, wo der Motor hinter mir wohnt
|
| Do 27. Mai 2010, 17:07 |
|
 |
|
gallex2000
Registriert: Do 18. Dez 2008, 16:38 Beiträge: 1201 Wohnort: MZ
|
 Re: Kostenpunkt Ausgleichsbehälter und Sensor
Klarer Fall .. einmal Sensor neu bitte.
Gruss, Gallex.
_________________ Quattro bedeutet daß man erst dort steckenbleibt wo kein Abschleppwagen mehr hinkommt : )
|
| Do 27. Mai 2010, 17:16 |
|
 |
|
FXSTC
Registriert: Fr 23. Jan 2009, 23:08 Beiträge: 831
|
 Re: Kostenpunkt Ausgleichsbehälter und Sensor
Hi, hat leider etwas länger gedauert als erwartet da der Sensor des 1. Ausgleichsbehälters defekt war. Eine komplette Einbauanleitung mit Bildern werde ich demnächst an Dieter senden wenn er diese bei sich einstellen möchte. Hier die Liste was benötigt wird: 1 x VW Ausgleichsbehälter mit Wasserstandsensor vom Polo 6N (nicht den 9N nehmen) mit blauem Deckel (unbedingt beachten) und mit Stecker 1 x Blech (am besten ein Alublech) 20cm lang, 3cm breit, dieses muss halbrund ausgefeilt und am Ausgleichsbehälter angepasst werden. 5,5er Löcher müssen gebohrt werden, 2x11,5cm Abstand und 2x16,8cm Abstand, ca. 20 Minuten Bauzeit mit lackieren. 2 x Schrauben 5x20mm, 4x Unterlegscheiben und 2x selbstsichernde Muttern zum befestigen. 1 x Leistungsrelais 12V, 8A Schaltleistung: http://www.conrad.de/ce/de/product/5054 ... D.ASTPCCP13 x Kabel 1,0mm flexibel, ca. 5 mtr. also gesamt 15 mtr., da bleibt über aber kann man immer mal brauchen, 3x, weil man sicher noch das Ein oder Ander einbauen will, wie z.B. el. Kofferraumöffner oder sonstiges Löltkolben, Isolierband, Schrumpfschlauch, Kabelbinder und 2x Quetschverbinder mit Öse 1x 6,5mm und 1x4mm Loch. 1 x Schraube 6x20mm und 1x Unterlegscheibe. 1 x Glühbirne EJP1180 - Bulb&holder assembly - 14V 1.4W. Kurzanleitung: Die Kugel wird mit dem original Ausgleichsehälter ausgetauscht, Halterungsschrauben entfernen, oberen Schlauch entfernen, danach den Behälter hochheben und den unteren Schlauch entfernen, Behälter so halten das nicht viel Kühlwasser verloren geht, unteren Schlauch an die Kugel an die wir vorher den Halter geschraubt haben anschließen und in an die alte Stelle montieren, da wir den alten Ausgleichbehälter vor dem entfernen des unteren Schlauchs hochgehoben haben ist jetzt wieder etwas Kühlflüssigkeit im Behälter, oberen Schlauch anschließen, Kühlflüssigkeit nachfüllen fertig. Kabel von dem Tacho durch den Mitteltunnel bis zur T-Bar ziehen, es ist ein Loch zum Kabel hindurchführen am Ende des Mitteltunnels, wenn das Ablagefach ausgebaut ist einfach mal nach hinten greifen dann merkt man das. Den Teppich unter der T-Bar auf der Fahrerseite entfernen und die Kabel unter der T-Bar verlegen, an der Beifahrertür angekommen sieht man schon den Weg nach hinten zum Motorraum. Motorklappe entfernen und das Kabel an der Fahrerseite entlang dem Kabelbaum durch die Gummitülle verlegen, im Motorraum immer dem Kabelbaum bis zum Kofferraumscharnier folgen und die Kabel mit Kabelbinder befestigen, dann 2 Kabel entlang der Kofferraumtrennwand zum Ausgleichsbehälter ziehen und dort ein Kabel anschließen (am besten an den Stecker anlöten) ein 2. Kabel von ca. 1 mtr. länge ebenfalls am Stecker befestigen und mit dem übergebliebenen Kabel durch eine Öffnung in den Kofferraum verlegen. nun sind wir im Kofferraum auf der Beifahrerseite angelangt, das Kabel vom Stecker befestigen wir mit einem Quetschverbinder und der 6mm Schraube an der Karosserie, wenn man an der Beifahrerseite den Teppich zurückklappt um die Kabel in den Kofferraum zu verlegen sieht man schon wo. Somit haben wir den Sensor an Masse angeschlossen. Die Kabel habe mit flexiblem Scotchband von vorne bis hinten umwickelt um Schäden zu vermeiden. Tacho ausbauen und Glühbirne in 3. leeren Anschluss rechts oben wo die Anzeige für Automatikgetriebe ist schrauben (siehe Post weiter oben) danach ein 1 mtr. Kabel mit dem 2. Quetschverbinder mit 4mm Öse an den Anschluss "Gear" mit der Schraube anschließen, Tacho wieder einbauen. 1. Pin der Relaisspule nun mit Plus vom Radio und natürlich den 2. Pin mit Masse verlöten, danach den Öffner des Relais mit dem Kabel der Gearanzeige verlöten, die Wurzel mit dem Sensorkabel aus dem Motorraum verlöten, alles mit dem Scotchband isolieren und mit Kabelbinder sauber an einem Kabelbaum befestigen. Wo das Relais nun verbaut wird bleibt jedem selbst überlassen, er muss nur die 4 Kabel dorthin ziehen und verlöten. Nun Motor starten, die Lampe leuchtet auf solange der Starter dreht (also im Normalfall kurz) und nach den loslassen des Schlüssels sollte die Lampe aus sein, so hat man eine Funktionskontrolle, sehr kurz aber man sieht es Ich habe keine Anzeige während dem Fahren gehabt obwohl ich das ausgiebig provoziert habe, durch die Form und die Doppelwand in der sich der Sensor befindet zeigt dieser wirklich nur bei fast leerem Ausgleichsbehälter an, dies habe ich natürlich auch getestet. Kosten liegen alles in allem bei ca. 20€. Kein Problem mit dem Deckel, keine Verzögerungselektronik nötig, schneller Einbau, keine zusätzlichen Summer, Hupen etc., lediglich eine Glühbirne, Ersatzteile günstig um die Ecke. Getestet von einem MGF und einen TF. Sollten Fragen sein dann fragt, dafür ist das Forum da. Ach ja, das 3. Kabel das noch im Motorraum liegt verlegen wir in den Kofferraumdeckel für unseren el. Kofferraumöffner evtl mit Funkfernbedienung, dazu demnächst mehr Gruß Klaus
_________________ Jetzt British Steel !!
|
| Mo 31. Mai 2010, 18:38 |
|
 |
|
FXSTC
Registriert: Fr 23. Jan 2009, 23:08 Beiträge: 831
|
 Re: Kostenpunkt Ausgleichsbehälter und Sensor
Verdammt 5x durchgelesen und doch ein Fehler gemacht, natürlich wird die Wurzel des Relais auf Masse gelegt und die Relaisspule an das Radioplus und das Sensorkabel angeschlossen, sorry, ich Honk. Da die Admins das garantiert nicht abändern  hier noch 2 Bilder. Gruß klaus
_________________ Jetzt British Steel !!
|
| Mo 31. Mai 2010, 19:19 |
|
 |
|
FXSTC
Registriert: Fr 23. Jan 2009, 23:08 Beiträge: 831
|
 Re: Kostenpunkt Ausgleichsbehälter und Sensor
Hallo, ich brauche eure Hilfe, ich habe ja den VW Kühlflüssigkeits Ausgleichsbehälter mit Wasserstandssensor bei mir und einigen Mitstreitern eingebaut, funktionierte auch recht gut eine Zeitlang, mein Problem ist nun das ich zwischen 5,3 und 11,2 Volt je nach Flüssigkeitsstand ermitteln konnte, fällt nun der Wasserstand minimal fällt die Spannung auf 0 ab was ja als Leerstand gilt und auch gut so ist, nun bräuchte ich ein Relais mit Wechsler das diesen Schaltstrom verarbeiten kann, ich hatte ein 12V Printrelais von Conradeingebaut das funktioniert aber bei höheren Themperaturen nicht. Das Relais oder was auch immer ihr mir empfehlen könnt sollte ab 5,3 Volt schalten und bis 12V aushalten können. Ich bin schon zu lange aus diesem Job draussen um hier was vernünftiges zu finden. Danke für eure Mithilfe. gruß klaus
Edit: Polo Teilenummer VW: 6N0 121 407 B (nicht verifiziert)
_________________ Jetzt British Steel !!
|
| Mo 12. Jul 2010, 18:58 |
|
 |
|
my01
Registriert: Do 18. Dez 2008, 10:19 Beiträge: 1072 Wohnort: 71642 Ludwigsburg
|
 Re: Kostenpunkt Ausgleichsbehälter und Sensor
sowas vielleicht??:http://www.conrad.de/ce/de/product/502326/AUTOM-REL-1AK-12VDC-70A-897 Bin aber ausdrücklich kein Elektriker... 
_________________ Life is tooo short not to ;)
zuerst LB-MD 1963 MGF 1,8i MkI von 55.000km-155000 km, VIN 507105 brg (HFF)/beige jetzt: LB-MG 5563 MGF 1,8i MkII ab km 66.000 z.Zt. 225 000km, VIN 534335, brg (HFF)/black mit DK52, Carbonairbox, cw,short knuckles etc
|
| Di 13. Jul 2010, 12:46 |
|
 |
|
FXSTC
Registriert: Fr 23. Jan 2009, 23:08 Beiträge: 831
|
 Re: Kostenpunkt Ausgleichsbehälter und Sensor
Hi Detlef, nein das wird nicht funktionieren, das Relais wird nicht bei 5-6v einschalten, habe auch bei Conrad nichts weiteres gefunden, dennoch danke schön für die Hilfe. Gruß klaus
_________________ Jetzt British Steel !!
|
| Di 13. Jul 2010, 17:15 |
|
|
Wer ist online? |
Mitglieder in diesem Forum: 0 Mitglieder und 96 Gäste |
|
Du darfst keine neuen Themen in diesem Forum erstellen. Du darfst keine Antworten zu Themen in diesem Forum erstellen. Du darfst deine Beiträge in diesem Forum nicht ändern. Du darfst deine Beiträge in diesem Forum nicht löschen. Du darfst keine Dateianhänge in diesem Forum erstellen.
|
|
 |