
ECU defekt braun-rosa Kabel schaltet nicht ab ECU Ruhestrom
Tach,
hatte heute mal im Rahmen der Nachbarschaftshilfe und allgemeiner technischer Neugier ein, zwei Blicke in Robins MGF mpi werfen können.
Die alte Möhre (das Auto, nicht der Robin) hat ein paar Probleme, von denen das folgende wohl ernsthafter ist.
#1
Die Batterie wird ständig entladen, Nach einer Woche Standzeit ist die leer.Was wurde bisher gemacht:
Batterie getauscht, Hauptrelaisblock getauscht, Lichtmaschinenanschlüsse und Batteriemasseanschluß gecheckt. Ladespannung gecheckt.
Alles OK, die Batterie wird ordentlich geladen.
Leuchten rundum gecheckt, alles dunkel, keine parasitären Verbraucher zu finden:
Blieb der worst-case:
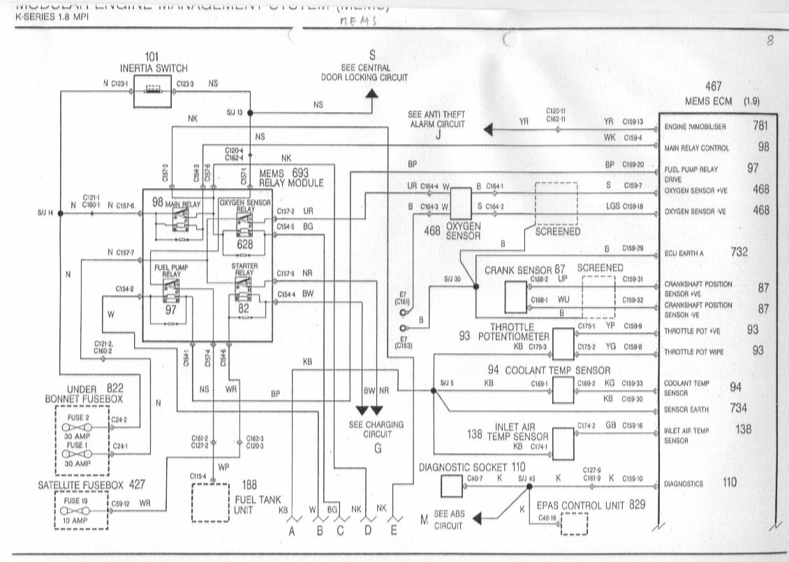
ECU Nr MKC104110 defekt ?
Also haben wir dann mal ein Voltmeter an das braun-rosa +Kabel beim Spülluftventil drangehängt. Motor ausgemacht. WFS eingeschaltet und gewartet...... Kaffee getrunken, ... gewartet ....
Über eine halbe Stunde später war der Draht immer noch life, +12 Volt....
Ich denke mal, das ist es ?
So wie auch in diesen Threads bei den MG Rover Forum Freunden zu finden:
http://forum.mg-rover-freunde.de/index. ... #msg364848http://forum.mg-rover-freunde.de/index. ... 364.0.html Ruhestrom
Fragen:
weiss jemand was besseres als mal das ECU gegen ein anderes zu tauschen und da die WFS anzulernen, um das mit dieser MAcke zu verifizieren ?
Ein Nachfolger aus MPI MKC104112 sollte passen ?
Wer im Raum Kassel/Fulda hätte die Möglichkeit eine WFS mit Testbook an ein ECU anzulernen ?
( ausser denen hier
http://www.mgfcar.de/data/MG_Rover_Workshop_DE.pdf )
Gibt's noch irgendwo Firmen, die ECU's reparieren ?
Wer hat ein intaktes MPI ECU MKC104112 anzubieten ?